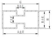
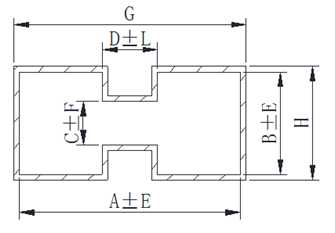
Double ridge rigid waveguide tube

Features:
● Material : 3A21 AL , 6063 AL , 96 Cu
Double Ridge Rigid Waveguide Tube
| Type | Inside dimension (mm) | Material | |||
| a | b | H | L | ||
| 24JS175 | 753.54 | 350.39 | 188.39 | 0.25 | Cu/Al |
| 24JS267 | 493.47 | 229.46 | 123.37 | 0.18 | Cu/Al |
| 24JS420 | 313.26 | 145.72 | 78.31 | 0.13 | Cu/Al |
| 24JS640 | 205.74 | 95.68 | 51.44 | 0.1 | Cu/Al |
| 24JS840 | 156.64 | 72.85 | 39.17 | 0.08 | Cu/Al |
| 24JS1500 | 87.76 | 40.82 | 21.946 | 0.08 | Cu/Al |
| 24JS2000 | 65.79 | 30.61 | 16.46 | 0.05 | Cu/Al |
| 24JS3500 | 37.59 | 17.48 | 9.398 | 0.05 | Cu/Al |
| 24JS4750 | 27.59 | 12.85 | 6.91 | 0.05 | Cu/Al |
| 24JS7500 | 17.55 | 8.15 | 4.39 | 0.05 | Cu/Al |
| 24JS11000 | 11.96 | 5.56 | 2.997 | 0.05 | Cu/Al |
| 24JS18000 | 7.32 | 3.4 | 1.829 | 0.05 | Cu/Al |
| WRD650 | 18.29 | 8.13 | 4.39 | 0.05 | Cu/Al |
Get Price And Support
Waveguide component
- Straight waveguide
- E/H bend waveguide
- Twist waveguide
- Waveguide to coaxial transition (Adapter)
- Cross guide couplers
- Waveguide Directional Coupler(Broadwall coupler)
- Termination -Low Power (Load)
- Termination -High Power (Load)
- Transition
- Rotary joints
- Standard gain horns
- Magic tees
- Gasket
- Spacer(Shim)
- Flange










